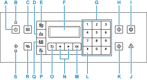
แผงการทำงาน

- A: ปุ่ม พลังงาน(ON)
-
สำหรับเปิดหรือปิดเครื่อง ก่อนที่จะเปิดเครื่อง ให้ตรวจสอบว่าฝาครอบเอกสารปิดอยู่
- B: สัญญาณไฟ พลังงาน(ON)
- ไฟจะกะพริบและติดสว่างเมื่อทำการเปิดเครื่อง
- C: ปุ่ม เมนู(MENU)
- แสดงหน้าจอ Copy menu, Scan menu หรือ Fax menu
- D: ปุ่ม สแกน(SCAN)
- สลับเครื่องพิมพ์เป็นโหมดสแกน
- E: ปุ่ม ทำสำเนา(COPY)
- สลับเครื่องพิมพ์เป็นโหมดทำสำเนา
- F: LCD (จอภาพผลึกเหลว)
- แสดงข้อความ รายการเมนู และสถานะการทำงาน
- G: ปุ่มตัวเลข
- ใช้เพื่อป้อนค่าตัวเลข เช่น จำนวนชุด รวมถึงหมายเลขแฟกซ์/โทรศัพท์ และตัวอักขระ
- H: ปุ่ม สีดำ(Black)
- เริ่มการทำสำเนา การสแกน การแฟกซ์ ฯลฯ เป็นขาวดำ
- I: ปุ่ม หยุด(Stop)
- ยกเลิกการทำงานในขณะที่กำลังดำเนินการพิมพ์ ทำสำเนา สแกน หรือการส่ง/การรับแฟกซ์
- J: สัญญาณไฟ เตือน(Alarm)
- สัญญาณไฟจะติดสว่างหรือกะพริบเมื่อเกิดข้อผิดพลาด
- K: ปุ่ม สี(Color)
- เริ่มการทำสำเนาสี การสแกน การส่งแฟกซ์ ฯลฯ
- L: ปุ่ม โทนสี(Tone)
- สลับไปยังการโทรแบบกดปุ่มชั่วคราวหากเครื่องพิมพ์ของคุณเชื่อมต่ออยู่กับสายโทรศัพท์แบบพัลส์
- M: ปุ่ม OK
- ทำให้การเลือกรายการเมนูหรือการตั้งค่าเสร็จสมบูรณ์ ปุ่มนี้ยังใช้สำหรับการแก้ไขข้อผิดพลาดหรือนำเอกสารที่เหลืออยู่ออกจาก ADF (ตัวป้อนเอกสารอัตโนมัติ)
- N: ปุ่ม
และ 
-
ใช้สำหรับการเลือกรายการการตั้งค่า ปุ่มนี้ยังใช้ในเมื่อการป้อนอักขระ
- O: ปุ่ม ถอยหลัง(Back)
- ทำให้จอ LCD กลับไปยังหน้าจอก่อนหน้า
- P: ปุ่ม ตั้งค่า(Setup)
- แสดงหน้าจอ Setup menu ด้วยเมนูนี้ คุณสามารถทำการบำรุงรักษาเครื่องพิมพ์และเปลี่ยนการตั้งค่าเครื่องพิมพ์ ยังใช้สำหรับการเลือกโหมดการป้อน
- Q: ปุ่ม แฟกซ์(FAX)
- สลับเครื่องพิมพ์เป็นโหมดแฟกซ์
- R: ปุ่ม เชื่อมต่อไร้สาย(Wireless connect)
- กดปุ่มนี้ค้างไว้เพื่อตั้งค่าข้อมูลเราเตอร์แบบไร้สายในเครื่องพิมพ์โดยตรงจากสมาร์ทโฟนหรืออุปกรณ์อื่น (โดยไม่ต้องดำเนินการใดๆ บนเราเตอร์)
- S: สัญญัณไฟ ความจำแฟกซ์(FAX Memory)
- ติดสว่างเมื่อมีเอกสารที่ได้รับหรือยังไม่ได้ส่งเก็บไว้ในหน่วยความจำของเครื่องพิมพ์

